Warum passiert das?
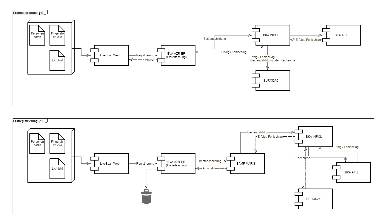
Vorgänge nach § 16 AsylG werden von LiveScan Web erst ans BVA AZR-ER übermittelt, und von dort zum BAMF und zum BKA weitergeleitet, wo die Fingerabdrücke gespeichert und einer D-Nummer zugeordnet werden.
Die Kommunikation läuft dabei wie im Kasten "Erstregistrierung §16" ab:
Damit der Vorgang beim BAMF angenommen und weitergeleitet werden kann, ist es notwendig, ein BAMF-Login für jeden Benutzer in LiveScan Web einzugeben, da er bei der Abgabe mit übermittelt wird.
Wenn dieser Login falsch ist, bekommen Sie keine Mitteilung, da das empfangende BVA-System dies nicht feststellen kann.
In der Folge werden keine Bestandsdaten im BKA gebildet, und insbesondere keine D-Nummer im AZR abgelegt.
Der Vorgang geht dann nicht in die Statistiken mit ein.
Wichtig
In Ihrem Benutzer-Konto müssen die korrekten BAMF-Login-Daten hinterlegt sein. Bei Änderungen sind diese unbedingt zu aktualisieren.
Was ist zu tun?
Wenn Sie feststellen oder von Ihrer Landesregierung darauf aufmerksam gemacht werden, dass in Ihrem Bestand D-Nummer fehlen, ist folgendes zu tun:
Keine Panik.
Die Daten, die Sie von den Flüchtlingen aufgenommen haben, sind noch da. Sie müssen niemanden noch einmal einbestellen.
Sie senden einfach die Daten nochmals passend ab (siehe Schritt 7), mit geprüften Daten und korrektem Kennwort. Der häufigste Grund warum die D-Nummern nicht im AZR angelegt wurden ist ein falsches BAMF DeBeV ODER FREE Kennwort (es ist der selbe Benutzer!).
Gehen Sie also wie folgt vor.Neueste Version von LiveScan Web installieren
Die neuesten Versionen von LiveScan Web enthalten Verbesserungen zum Filtern und Nachbehandeln von Vorgängen. Bitte installieren Sie die neuste Version von LiveScan Web bevor Sie fortfahren.
AZR-Import konfigurieren
Falls noch nicht geschehen, melden Sie sich bitte zur Konfiguration des AZR-Import-Features in LiveScan Web bei uns.
Wenn Sie den AZR-Import über eine AZR-Nummer aktiv verwenden, funktioniert das Feature bereits.Offene Vorgänge auf eine D-Nummer prüfen
Alle § 16 AsylG-Vorgänge, von denen nicht bekannt ist, ob sie bereits eine D-Nummer erhalten haben, in LiveScan Web 1.6.0+204 und höher, haben einen gelben Markerbeim 'DNr.' in der Spalte 'Vorgangns-Nr.', sowie eine 'Warnung' in der Spalte 'D-Nr.'
Sie können in der Spalte 'D-Nr.' nach 'Warnung' filtern. Dann werden Ihnen alle Vorgänge angezeigt, bei denen noch keine D-Nummer bekannt ist.
Hinweis
Wenn Ihnen die Spalte 'D-Nr.' nicht angezeigt wird, setzten Sie den Haken bei 'D-Nr.' im Spalten-Filter , links über der Liste. Dann erscheint die Spalte in der Übersicht.
Mit dem gelben Knopf "x offene ED-Status prüfen" können Sie sich anzeigen lassen wie viele Vorgänge keine D-Nummer enthalten. Durch Drücken des Knopfes werden alle offenen ED-Status erneut geprüft.
Wenn Sie den Knopf betätigen werden alle gelb markierten Vorgänge beim AZR angefragt und geprüft ob sie eine D-Nummer enthalten. Wenn keine D-Nummer verzeichnet ist bleiben die Einträge auf gelb mit dem Status 'Warnung'. Wenn eine zugehörige D-Nummer gefunden wird, erscheint bei 'D-Nr.' in der Spalte 'Vorgangs-Nr.' ein grüner Marker , sowie in der Spalte 'D-Nr.' 'Erfolgreich'. Bitte drücken Sie bei Zeiten immer mal wieder diesen Knopf um neu registrierte Vorgänge zu prüfen.
Das Prüfen muss explizit und von einem menschlichen Benutzer, durch manuelles Betätigen des Knopfes, durchgeführt werden, da dabei dessen AZR-Login verwendet wird. (er aktualisiert sich nicht von selbst).
Bitte planen Sie für die Prüfung Zeit, entsprechend der Anzahl der zu prüfenden Vorgänge ein. Das System fragt etwa 1000 Registrierungen pro Stunde ab.
Auswerten
Nachdem Sie die BAMF-Status aktualisiert haben, leiten Sie die Vorgangsliste als Excel aus über den grünen Excel-Knopf über der Liste.
Achtung: Um den grünen Excel-Knopf zu sehen, brauchen Sie die Berechtigung eines Admins oder leitenden Mitarbeiters. Bitte lassen Sie sich nötigenfalls Ihr Konto von uns passend konfigurieren.
Öffnen Sie das Excel-Dokument und filtern Sie in der Spalte 'BAMF-Status' = "Warnung".
Sie sehen jetzt nur noch die fehlgeschlagenen Vorgänge.
Versuchen Sie herauszufinden, welche Benutzer (in den Spalten "CreatorUser" und "LastModifierUser") diese verursacht hat.
Wahrscheinlich haben einer oder mehrere Benutzer ein falsches Passwort angegeben.
Kennwörter korrigieren
Lassen Sie die entsprechenden Benutzer ihre Kennwörter korrigieren. Wenn unbekannt ist, woran es liegt, am besten durch erneute Änderung des Kennworts bei BAMF DeBeV ODER FREE (es ist der selbe Benutzer!) und Eintrag dieses Kennworts in LiveScan Web.Vorgänge erneut absenden
Nachdem Sie das Kennwort verbessert haben, suchen Sie einen Vorgang nach § 16 AsylG aus, der nicht aus den letzten zwei Tagen stammt.
Senden Sie dessen FastID nochmal ab, damit sie frisch ist. Das können Sie auf verschiedenen Wegen tun:
Automatisiert nochmals versenden
Drücken in der Liste der ED-Vorgänge auf den "Play"-Knopf (in der Aktions-Spalte).
Daraufhin wird die Registrierung (AZR) erneut gesendet. Dafür wird zunächst automatisch die zugehörige FastID neu versendet.
Ist diese erfolgreich, wird im Anschluss die Erstregistrierung erneut gesendet. Achten Sie hierbei auf den Status der FastID-Referenz (siehe Manuell).
Nach etwa 24h können sie ein Ergebnis erwarten. Prüfen Sie bei den jeweiligen Vorgänge erneut, ob Sie nun eine D-Nummer vorweisen. Sie erkennen das in der Spalte 'Vorgangs-Nr.' unter 'BAMF'.
Erscheint das grüne Symbol wurde eine D-Nummer angelegt. Betätigen Sie hierfür vorher den gelben Knopf "x offene ED-Status prüfen" um die Daten zu aktualisieren und warten Sie eine entsprechende Zeit.
Zeigt der Status der D-Nr. nach 24 Stunden und einer erneuten D-Nummern-Prüfung der offenen Vorgänge (mit dem gelben Knopf "x offene ED-Status prüfen") immer noch das gelbe Symbol an, müssen Sie manuell vorgehen.
Alternativ bzw. bei Nacharbeiten: Manuell nochmals versenden
Gehen Sie in die betreffende Fast-ID über bearbeitenund senden Sie diese erneut ab, in dem Sie im Reiter '3 Abschließen' auf 'ED-Vorgang abschließen' klicken.
Für AZR-Registrierungs-Vorgange gehen Sie im betreffenden Vorgang (dazu gehen Sie zunächst auf Vorgang bearbeiten ) neben der FastID-Referenz auf "Neu versenden (3-5 Minuten)".
Dies kann einige Minuten in Anspruch nehmen. Sie können zwischenzeitlich durch klicken auf 'Status aktualisieren' den FastID Status aktualisieren.
Falls Sie nicht die ganze Zeile lesen können zoomen Sie mit 'Strg' + '-' oder 'Strg' + Mausrad die Ansicht heraus.
Dabei sehen Sie in der FastID-Referenz zum einen den FastID-Status (gelb) und das FastID-Ergebnis (rot).
FastID-Status
Die FastID wird die Status "Bereit" - "Generiert" - "In Verarbeitung" durchlaufen. Die Bearbeitungszeit endet entweder in dem Status "Fertig" oder "Fehler".
Bleibt der FastID-Status auf "Generiert" stehen. Es stimmt etwas mit der Verbindung nicht. Überprüfen Sie die Verbindung zum BVA oder rufen Sie uns an.
Bleibt der FastID-Status auf "In Verarbeitung" stehen. Gibt es ein Problem beim BVA. Dazu sehen Sie auch diesen Artikel (siehe: Häufige Fragen).
Zeigt der FastID-Status "Fehler" ist die FastID fehlerhaft, oder wurde abgelehnt.
Zeigt der FastID-Status "Fertig" ist die FastID fertig verarbeitet und es kann weiter gehen.
FastID-Ergebnis
Prüfen Sie weiterhin ob bei der FastID-Referenz das Ergebnis "Nicht gefunden" herausgekommen ist. Wenn nicht, bitte senden Sie die Registrierung nicht nochmal ab! Der Flüchtling ist dann bereits von einer anderen Behörde registriert worden. Damit darf die Erstregistrierung nicht nochmal übermittelt werden.
NUR bei FastID-Stauts "Fertig" und FastID-Ergebnis "Nicht gefunden" können Sie nun auch die AZR Registrierung gefahrlos nochmals absenden. Dies machen Sie wie gewohnt indem Sie im Stammblatt auf 'Speichern' gehen und im 4ten Reiter 'Abschließen' auf 'Erstregistrierung abschließen' drücken. Die Warnung, dass der Vorgang bereits übermittelt wurde, müssen Sie dabei explizit übergehen.
Wenn Sie die Registrierung AZR auf diese Weise erneut abgesendet haben, prüfen Sie unbedingt den Status des Vorgangs in der Übersicht ED. Er sollte "Warten auf BVA" sein, d.h. der Vorgang ist beim BVA angekommen und wird weiter verteilt.
Nach einer Stunde, prüfen Sie bitte über den gelben Knopf "x offene ED-Status prüfen" oder über die Vorgangsnummer → ED-Status prüfen, ob der Vorgang eine D-Nummer erhalten hat.
Wenn ja, können Sie nun alle anderen Vorgänge, die nach der Prüfung immer noch den D-Nr.-Status "gelb" / Warnung haben, so nachbehandeln.
Wenn nein, ist das Kennwort immer noch bzw. wieder falsch. Bitte prüfen Sie mit uns die Voraussetzungen und fragen Sie beim BVA nach, ob der Vorgang korrekt empfangen wurde. Dann wiederholen Sie die Schritte 5 und 6.
Warum ich?
Wir wissen, dass all das viel Arbeit ist und bedauern die Lage sehr.
Bitte beachten Sie, dass wir jedoch weder Verursacher der Problematik sind, noch die beteiligten Bundesbehörden nötigen können, falsche Daten anzunehmen.
Die Ursache des Problems ist Ihr falsch angegebenes Kennwort, sowie die daraus begründete stille Ablehnung des Vorgangs im BAMF.
Für Rückfragen und Hilfestellungen bei der Einschätzung und Behebung sind wir wie immer für Sie erreichbar.

















